Frigo Dometic
-
THIERRY 34
- Participants enregistrés à l'Espace Forums LeVoyageur
- Messages : 233
- Enregistré le : mer. 3 avr. 2024, 16:06
- Votre Prénom : Thierry
- Type de camping-car : Intégral SX de 2011
- kilometrage : 121000
- Localisation : Meze 34
Frigo Dometic
Bonjour . J ai besoin de vous .j ai plus d alimentation sur le frigot de mon lvx , il s’allume plus du tout , niveau disjoncteur tout est ok , je suis branché. où se trouve le fusible je le trouve pas . Merci à tous pour votre aide .
Thierry34meze
-
THIERRY 34
- Participants enregistrés à l'Espace Forums LeVoyageur
- Messages : 233
- Enregistré le : mer. 3 avr. 2024, 16:06
- Votre Prénom : Thierry
- Type de camping-car : Intégral SX de 2011
- kilometrage : 121000
- Localisation : Meze 34
Re: Frigo Dometic
Je pas d alimentions sur le 220, ou vont c est fils . Merci
- Fichiers joints
-
- IMG_1739.jpeg (2.78 Mio) Vu 76 fois
Thierry34meze
- glem
- Participants enregistrés à l'Espace Forums LeVoyageur
- Messages : 2848
- Enregistré le : lun. 17 juin 2013, 08:24
- Votre Prénom : Gilbert
- Type de camping-car : LV 7.8 GJF 2017
- Localisation : BRETAGNE Cotes d'Armor
Re: Frigo Dometic
Bonjour
deux fusibles 12V
-fusible de 20A à coté de l' EBL (petit boitier noir)
-fusible de 2A sur l' EBL pour l' électronique du frigo: Pour le 220V voir dans la boite d'arrivée disjoncteur.
deux fusibles 12V
-fusible de 20A à coté de l' EBL (petit boitier noir)
-fusible de 2A sur l' EBL pour l' électronique du frigo: Pour le 220V voir dans la boite d'arrivée disjoncteur.
Cordialement
-
THIERRY 34
- Participants enregistrés à l'Espace Forums LeVoyageur
- Messages : 233
- Enregistré le : mer. 3 avr. 2024, 16:06
- Votre Prénom : Thierry
- Type de camping-car : Intégral SX de 2011
- kilometrage : 121000
- Localisation : Meze 34
Re: Frigo Dometic
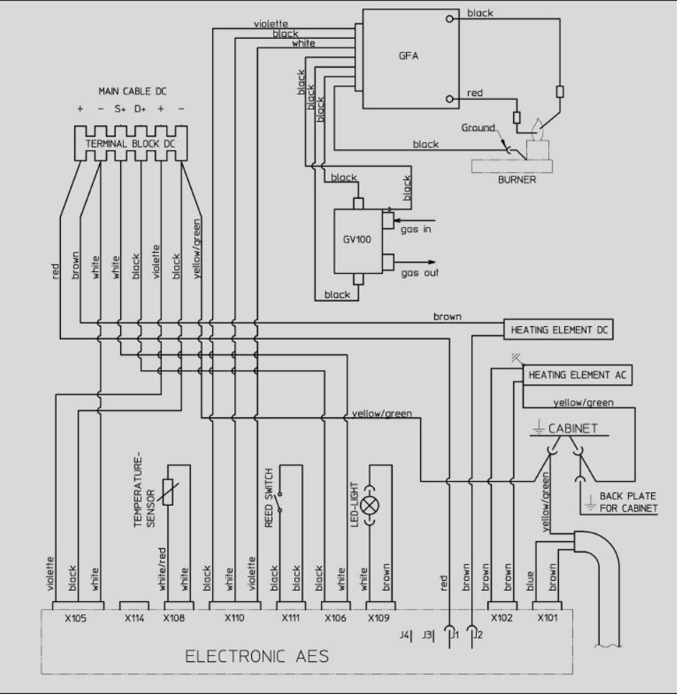
Glem tout les fusibles EBL sont bon ., dans la petite boîte noire j ai un 30 ampère c est du 220 volt . Je trouve pas le 20 ampère .Pas de fusible dans le boîtier disjoncteur . J ai toujours pas d’alimentation sur le fils rouge que je montre du doigt . J ai regarder au niveau du porteur sous le siège tout les fusibles sont bon .
- Fichiers joints
-
- IMG_1741.jpeg (3.86 Mio) Vu 66 fois
-
- IMG_1740.jpeg (2.86 Mio) Vu 66 fois
-
- IMG_1743.jpeg (2.15 Mio) Vu 66 fois
Thierry34meze
-
THIERRY 34
- Participants enregistrés à l'Espace Forums LeVoyageur
- Messages : 233
- Enregistré le : mer. 3 avr. 2024, 16:06
- Votre Prénom : Thierry
- Type de camping-car : Intégral SX de 2011
- kilometrage : 121000
- Localisation : Meze 34
Re: Frigo Dometic
Ma carte elle est alimenté y a du 12 volt sur le petit fusible . . Le fils rouge que je montre du doigt c’est du 12 volt qu’il faut ou du 220 ?
Thierry34meze
-
THIERRY 34
- Participants enregistrés à l'Espace Forums LeVoyageur
- Messages : 233
- Enregistré le : mer. 3 avr. 2024, 16:06
- Votre Prénom : Thierry
- Type de camping-car : Intégral SX de 2011
- kilometrage : 121000
- Localisation : Meze 34
Re: Frigo Dometic
Désoler j avais pas vu sur le fils rouge c est du 12 volt qu il faut . C est marqué
Thierry34meze
-
THIERRY 34
- Participants enregistrés à l'Espace Forums LeVoyageur
- Messages : 233
- Enregistré le : mer. 3 avr. 2024, 16:06
- Votre Prénom : Thierry
- Type de camping-car : Intégral SX de 2011
- kilometrage : 121000
- Localisation : Meze 34
Re: Frigo Dometic
Merci Glem . Je l ai contrôler et pour moi il était bon , mais je le démonterais pour en être sûr . Le fil rouge arrive sur se fusible ?
Thierry34meze
- glem
- Participants enregistrés à l'Espace Forums LeVoyageur
- Messages : 2848
- Enregistré le : lun. 17 juin 2013, 08:24
- Votre Prénom : Gilbert
- Type de camping-car : LV 7.8 GJF 2017
- Localisation : BRETAGNE Cotes d'Armor
Re: Frigo Dometic
Bonsoir
c' est le 12V de puissance pour la résistance 12V ( qui fonctionne avec la commande du D+)
Il y a aussi un fusible sur la carte du frigo( carte qui est alimentée par le fusible de 2A sur l' EBL)
c' est le 12V de puissance pour la résistance 12V ( qui fonctionne avec la commande du D+)
Il y a aussi un fusible sur la carte du frigo( carte qui est alimentée par le fusible de 2A sur l' EBL)
Cordialement